マリン用品の通販王
ネオネットマリンWEB本店


HOME

■純正部品

 > 

TOHATSU

 > 

MFS40

 > 
MFS40A 2021 3KZ
  • シリンダ、クランクケース

    シリンダ、クランクケース

  • ピストン、クランクシャフト

    ピストン、クランクシャフト

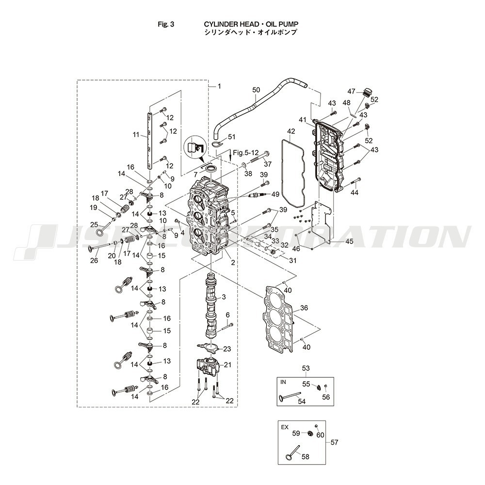
  • シリンダヘッド、オイルポンプ

    シリンダヘッド、オイルポンプ

  • プーリ、タイミングベルト

    プーリ、タイミングベルト

  • インテークマニホールド

    インテークマニホールド

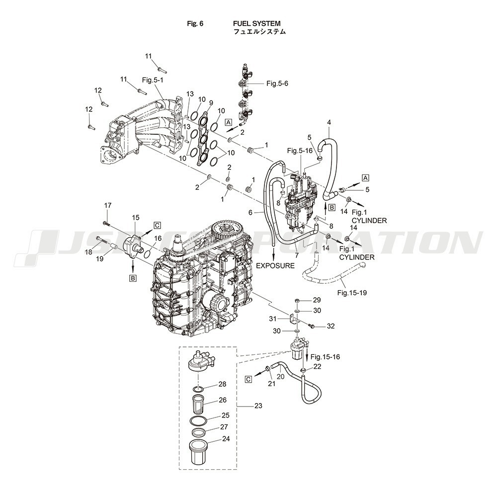
  • フュエルシステム

    フュエルシステム

  • マグネト

    マグネト

  • エレクトリックパーツ(スタータモータ)

    エレクトリックパーツ(スタータモータ)

  • エレクトリックパーツ

    エレクトリックパーツ

  • ドライブシャフトハウジング

    ドライブシャフトハウジング

  • ギヤケース(ドライブシャフト)

    ギヤケース(ドライブシャフト)

  • ギヤケース(プロペラシャフト)

    ギヤケース(プロペラシャフト)

  • ブラケット

    ブラケット

  • パワートリム&チルト

    パワートリム&チルト

  • ボトムカウル

    ボトムカウル

  • シフト、スロットル

    シフト、スロットル

  • ステアリング

    ステアリング

  • トップカウル

    トップカウル

  • フュエルタンク

    フュエルタンク

  • マルチティラーハンドル

    マルチティラーハンドル

  • リモコンボックス構成部品

    リモコンボックス構成部品

  • リモコンボックス構成部品(電装品関係)

    リモコンボックス構成部品(電装品関係)

  • オプショナルパーツ、アクセサリ

    オプショナルパーツ、アクセサリ

  • オプショナルパーツ(1)

    オプショナルパーツ(1)

  • オプショナルパーツ(2)

    オプショナルパーツ(2)

  • リギングキット(1)

    リギングキット(1)

  • リギングキット(2)

    リギングキット(2)

  • アッセンブリ、キットパーツ

    アッセンブリ、キットパーツ

ページトップへ