マリン用品の通販王
ネオネットマリンWEB本店


HOME

■純正部品

 > 

HONDA

 > 

75ps

 > 
BF75D 2017 BEBAJ
  • シリンダーヘッドカバー

    シリンダーヘッドカバー

  • シリンダーヘッド

    シリンダーヘッド

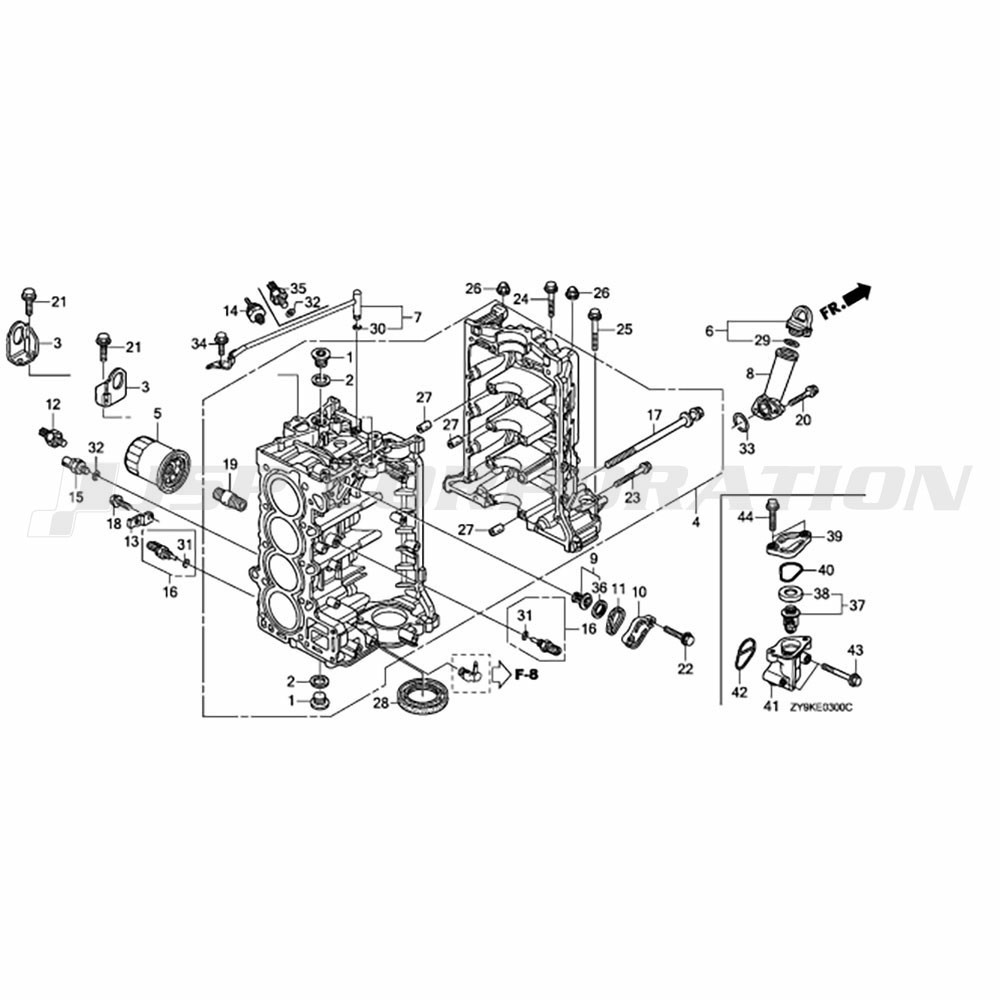
  • シリンダーブロック

    シリンダーブロック

  • オイルポンプ

    オイルポンプ

  • オイルケース

    オイルケース

  • クランクシャフト/ピストン

    クランクシャフト/ピストン

  • カムシャフト/バルブ

    カムシャフト/バルブ

  • チェンケース

    チェンケース

  • インレットマニホールド/インジェクター

    インレットマニホールド/インジェクター

  • サイレンサケース/スロットルボディ

    サイレンサケース/スロットルボディ

  • フューエルポンプ

    フューエルポンプ

  • ウォーターセパレータ

    ウォーターセパレータ

  • ペーパーセパレータ

    ペーパーセパレータ

  • A.C.ジェネレーター

    A.C.ジェネレーター

  • プラグトップコイル

    プラグトップコイル

  • エレクトロニックコントロールユニット

    エレクトロニックコントロールユニット

  • スターターモーター

    スターターモーター

  • ガスケットキット

    ガスケットキット

  • シフトシャフト

    シフトシャフト

  • エクステンションケース

    エクステンションケース

  • ギヤーケース

    ギヤーケース

  • ギヤーケースASSY.

    ギヤーケースASSY.

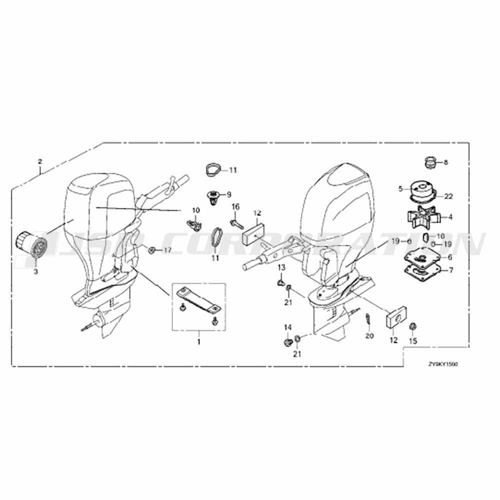
  • マウントケース

    マウントケース

  • ウォーターポンプ/バーチカルシャフト

    ウォーターポンプ/バーチカルシャフト

  • プロペラシャフト

    プロペラシャフト

  • フューエルタンク

    フューエルタンク

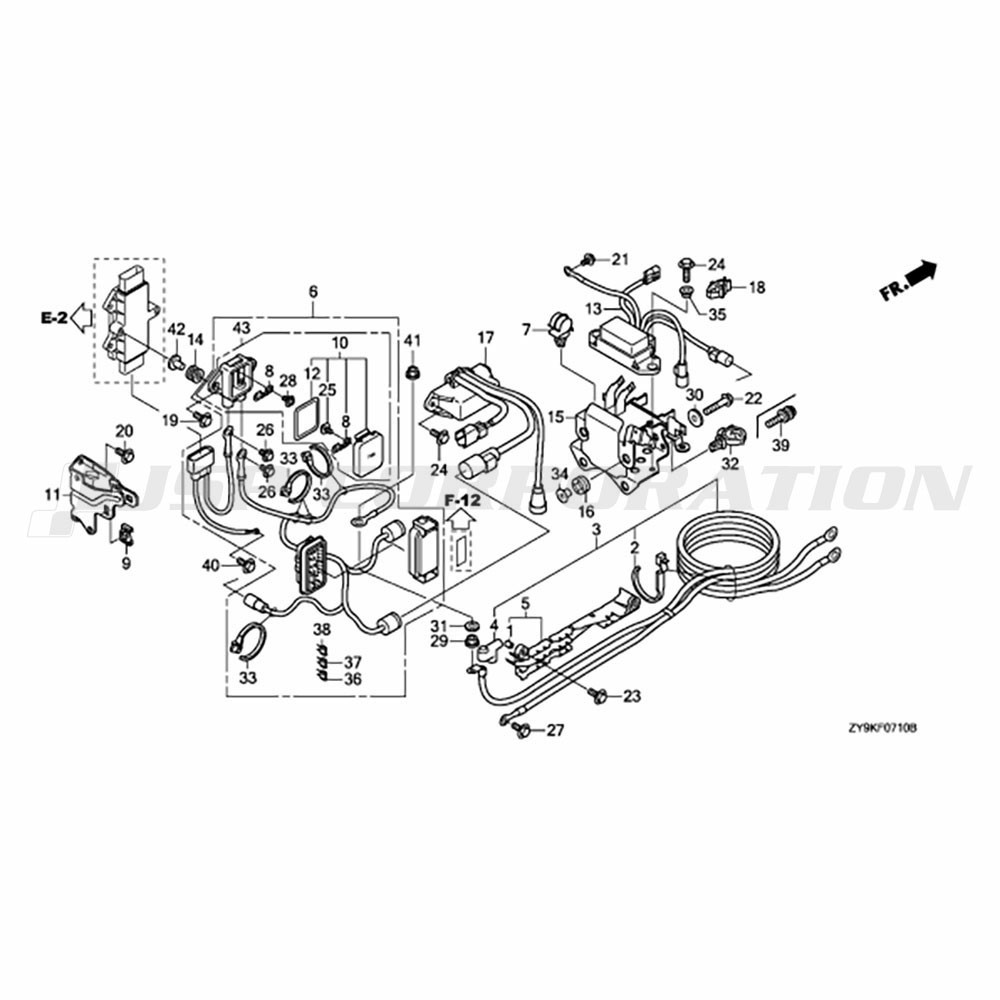
  • メインワイヤーハーネス

    メインワイヤーハーネス

  • スターターケーブル

    スターターケーブル

  • エレクトロニックパーツケース

    エレクトロニックパーツケース

  • A.C.ジェネレーターカバー

    A.C.ジェネレーターカバー

  • エンジンカバー/アンダーカバー

    エンジンカバー/アンダーカバー

  • スターンブラケット/スウィベルケース

    スターンブラケット/スウィベルケース

  • パワートリムチルト

    パワートリムチルト

  • ラベル

    ラベル

  • ツール/同梱部品

    ツール/同梱部品

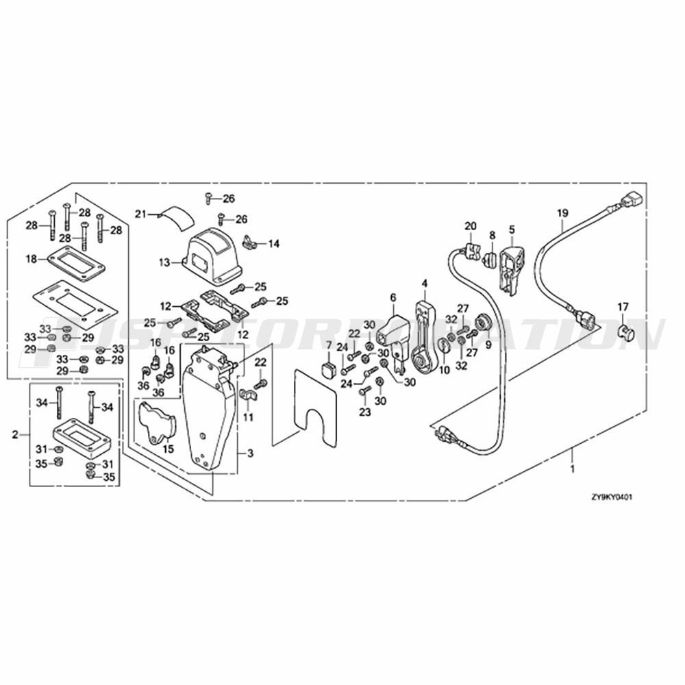
  • リモートコントロール(ニッパツメック)(ハンドルキャップ=クロム)

    リモートコントロール(ニッパツメック)(ハンドルキャップ=クロム)

  • インペラーポンプキット

    インペラーポンプキット

  • リモートコントロール(トップマウンントシングルタイプ)(右)

    リモートコントロール(トップマウンントシングルタイプ)(右)

  • リモートコントロール(トップマウントシングルタイプ)(左)

    リモートコントロール(トップマウントシングルタイプ)(左)

  • リモートコントロール(トップマウンントデュアルタイプ)(右)

    リモートコントロール(トップマウンントデュアルタイプ)(右)

  • リモートコントロール(トップマウンントデュアルタイプ)(左)

    リモートコントロール(トップマウンントデュアルタイプ)(左)

  • リモートコントロール(フラッシュマウントタイプ)(右)

    リモートコントロール(フラッシュマウントタイプ)(右)

  • リモートコントロール(フラッシュマウントタイプ)(左)

    リモートコントロール(フラッシュマウントタイプ)(左)

  • リモートコントロール(トップマウンントシングルタイプ)(ニッパツメック)

    リモートコントロール(トップマウンントシングルタイプ)(ニッパツメック)

  • リモートコントロール(トップマウンントデュアルタイプ)(ニッパツメック)

    リモートコントロール(トップマウンントデュアルタイプ)(ニッパツメック)

  • ケーブル(シングル)(HI-LEX)

    ケーブル(シングル)(HI-LEX)

  • ケーブル(デュアル)(HI-LEX)

    ケーブル(デュアル)(HI-LEX)

  • ケーブル(シングル)(ニッパツメック)

    ケーブル(シングル)(ニッパツメック)

  • ケーブル(デュアル)(ニッパツメック)

    ケーブル(デュアル)(ニッパツメック)

  • スイッチパネルキット(1)

    スイッチパネルキット(1)

  • スイッチパネルキット(2)

    スイッチパネルキット(2)

  • メーターキット

    メーターキット

  • トリムメーター/タコメーター

    トリムメーター/タコメーター

  • メーターキット(2)

    メーターキット(2)

  • プロペラ

    プロペラ

  • ボルトキット(HI-LEX)

    ボルトキット(HI-LEX)

  • ステアリングハンドルキット

    ステアリングハンドルキット

  • ステアリングハンドルキット(多機能)

    ステアリングハンドルキット(多機能)

  • インターフェイスケーブルキット

    インターフェイスケーブルキット

  • トローリングコントロールスイッチ

    トローリングコントロールスイッチ

  • ディスプレイキット

    ディスプレイキット

  • ケーブルキット

    ケーブルキット

  • メンテナンスキット(200)

    メンテナンスキット(200)

  • メンテナンスキット(400)

    メンテナンスキット(400)

  • ギヤーケースキット

    ギヤーケースキット

ページトップへ