マリン用品の通販王
ネオネットマリンWEB本店


HOME

■純正部品

 > 

ヤマハ

 > 

F200

 > 
F200A 2009 60L8
  • トップカウリング

    トップカウリング

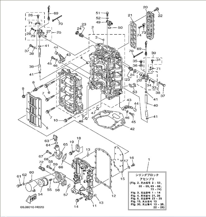
  • シリンダ、クランクケース1

    シリンダ、クランクケース1

  • クランクシャフト、ピストン

    クランクシャフト、ピストン

  • シリンダ、クランクケース2

    シリンダ、クランクケース2

  • シリンダ、クランクケース3

    シリンダ、クランクケース3

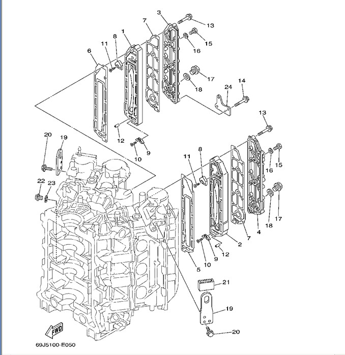
  • バルブ

    バルブ

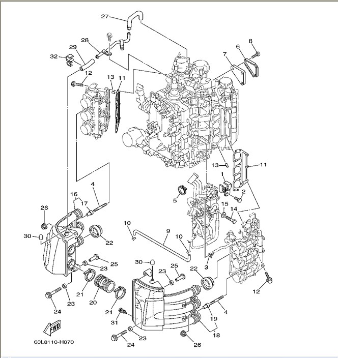
  • インテーク1

    インテーク1

  • インテーク2

    インテーク2

  • スロットルボデーアセンブリ1

    スロットルボデーアセンブリ1

  • スロットルボデーアセンブリ2

    スロットルボデーアセンブリ2

  • スロットルボデーアセンブリ3

    スロットルボデーアセンブリ3

  • フュエルインジェクションポンプ1

    フュエルインジェクションポンプ1

  • フュエルインジェクションポンプ2

    フュエルインジェクションポンプ2

  • フュエル

    フュエル

  • ゼネレータ

    ゼネレータ

  • エレクトリカル1

    エレクトリカル1

  • エレクトリカル2

    エレクトリカル2

  • エレクトリカル3

    エレクトリカル3

  • スターティングモータ

    スターティングモータ

  • ボトムカウリング1

    ボトムカウリング1

  • ボトムカウリング2

    ボトムカウリング2

  • コントロール1

    コントロール1

  • コントロール2

    コントロール2

  • コントロール3

    コントロール3

  • ブラケット1

    ブラケット1

  • ブラケット2

    ブラケット2

  • パワートリム、チルトアセンブリ1

    パワートリム、チルトアセンブリ1

  • パワートリム、チルトアセンブリ2

    パワートリム、チルトアセンブリ2

  • アッパーケーシング

    アッパーケーシング

  • オイルパン

    オイルパン

  • ロワーケーシング、ドライブ1

    ロワーケーシング、ドライブ1

  • ロワーケーシング、ドライブ2

    ロワーケーシング、ドライブ2

  • リペアキット1

    リペアキット1

  • リペアキット2

    リペアキット2

ページトップへ