マリン用品の通販王
ネオネットマリンWEB本店


HOME

■純正部品

 > 

ヤマハ

 > 

F4

 > 
F4A 2006 68D6
  • トツプカウリング

    トツプカウリング

  • シリンダ&クランクケース1

    シリンダ&クランクケース1

  • クランクシヤフト&ピストン

    クランクシヤフト&ピストン

  • シリンダ&クランクケース2

    シリンダ&クランクケース2

  • バルブ

    バルブ

  • インテーク

    インテーク

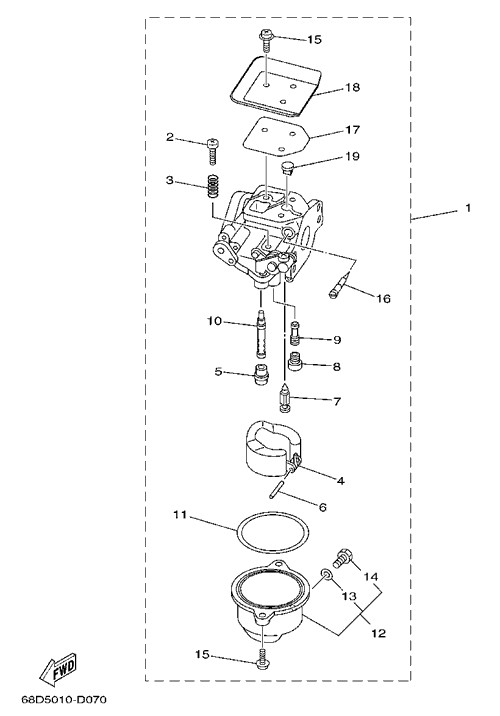
  • キヤブレタ

    キヤブレタ

  • フユエル1

    フユエル1

  • フユエル2

    フユエル2

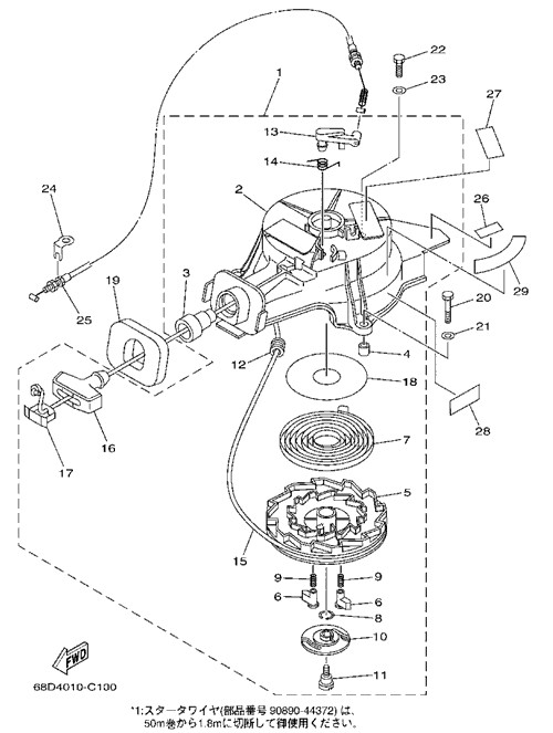
  • スタータ

    スタータ

  • ゼネレータ

    ゼネレータ

  • ボトムカウリング

    ボトムカウリング

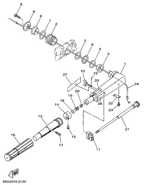
  • ステアリング

    ステアリング

  • コントロール

    コントロール

  • ブラケツト

    ブラケツト

  • アツパーケーシング

    アツパーケーシング

  • ロワーケーシング&ドライブ1

    ロワーケーシング&ドライブ1

  • ロワーケーシング&ドライブ2

    ロワーケーシング&ドライブ2

  • リペアキツト1

    リペアキツト1

  • リペアキツト2

    リペアキツト2

ページトップへ