マリン用品の通販王
ネオネットマリンWEB本店


HOME

■純正部品

 > 

ヤマハ

 > 

F30

 > 
F30B 2011 6BT3-EHD
  • トップカウリング

    トップカウリング

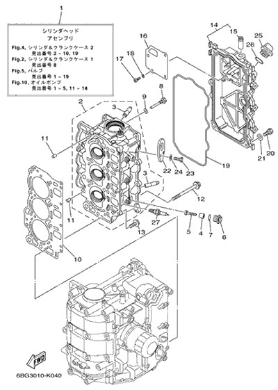
  • シリンダ、クランクケース1

    シリンダ、クランクケース1

  • クランクシヤフト、ピストン

    クランクシヤフト、ピストン

  • シリンダ、クランクケース 2

    シリンダ、クランクケース 2

  • バルブ

    バルブ

  • インテーク 1

    インテーク 1

  • インテーク 2

    インテーク 2

  • フユエルインジエクシヨンポンプ1

    フユエルインジエクシヨンポンプ1

  • フユエルインジエクシヨンポンプ2

    フユエルインジエクシヨンポンプ2

  • オイルポンプ

    オイルポンプ

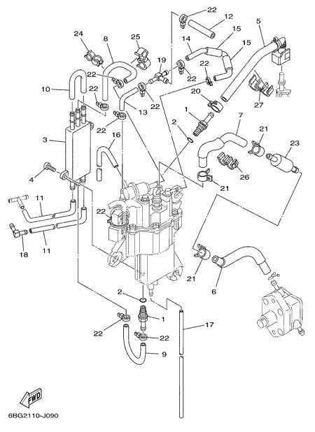
  • フュエル

    フュエル

  • ゼネレータ

    ゼネレータ

  • エレクトリカル 1

    エレクトリカル 1

  • エレクトリカル 2

    エレクトリカル 2

  • エレクトリカル 3

    エレクトリカル 3

  • エレクトリカル 4

    エレクトリカル 4

  • エレクトリカル 5

    エレクトリカル 5

  • スターティングモータ

    スターティングモータ

  • ボトムカウリング 1

    ボトムカウリング 1

  • ボトムカウリング 2

    ボトムカウリング 2

  • ステアリング 1

    ステアリング 1

  • ステアリング 2

    ステアリング 2

  • ステアリングフリクション

    ステアリングフリクション

  • コントロール

    コントロール

  • ブラケット 2

    ブラケット 2

  • ブラケット 3

    ブラケット 3

  • アッパーケーシング

    アッパーケーシング

  • オイルパン

    オイルパン

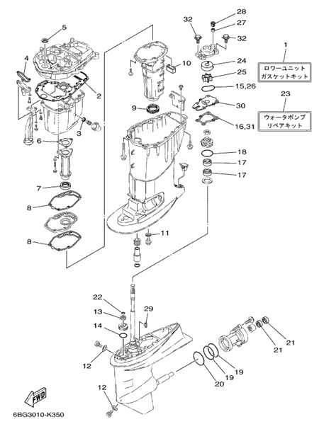
  • ロワーケーシング、ドライブ1

    ロワーケーシング、ドライブ1

  • ロワーケーシング、ドライブ2

    ロワーケーシング、ドライブ2

  • ステアリングガイド

    ステアリングガイド

  • リペアキット 1

    リペアキット 1

  • リペアキット 2

    リペアキット 2

ページトップへ