マリン用品の通販王
ネオネットマリンWEB本店


HOME

■純正部品

 > 

ヤマハ

 > 

エキサイタ―1670

 > 
エキサイター 1670T 1998 F0K1
  • シリンダー、クランクケース

    シリンダー、クランクケース

  • クランクシヤフト、ピストン

    クランクシヤフト、ピストン

  • インテーク

    インテーク

  • キヤブレター

    キヤブレター

  • オイルポンプ

    オイルポンプ

  • エキゾースト

    エキゾースト

  • エキゾースト2

    エキゾースト2

  • フユエル

    フユエル

  • フユエルタンク

    フユエルタンク

  • オイルタンク

    オイルタンク

  • ジエツトユニツト1

    ジエツトユニツト1

  • ジエツトユニツト2

    ジエツトユニツト2

  • ゼネレータ

    ゼネレータ

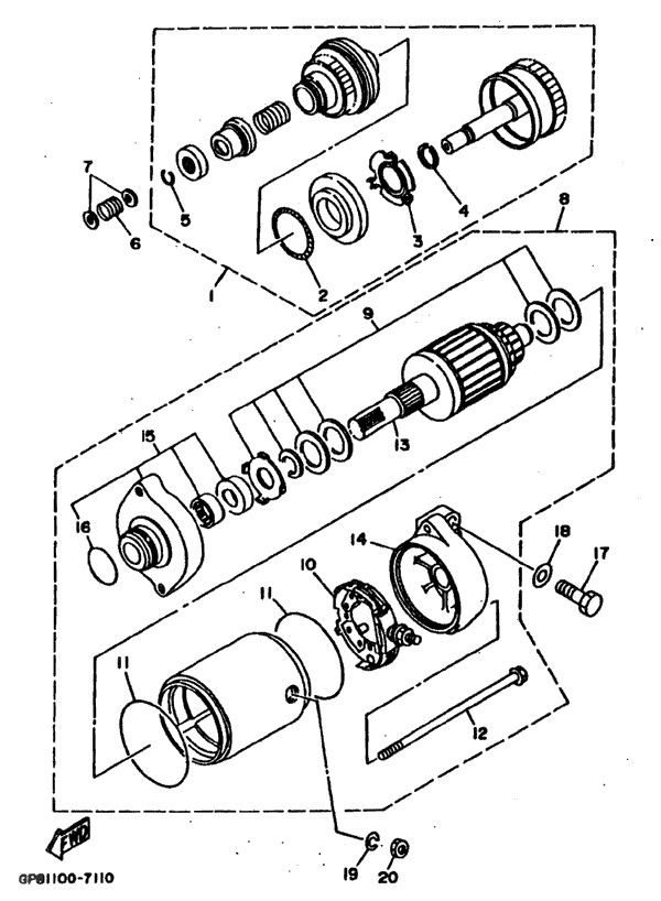
  • スターテイングモーター

    スターテイングモーター

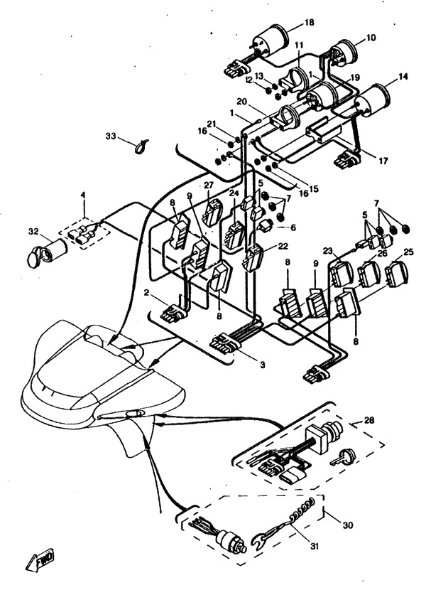
  • エレクトリカル1

    エレクトリカル1

  • エレクトリカル2

    エレクトリカル2

  • エレクトリカル3

    エレクトリカル3

  • リモートコントロールケーブル

    リモートコントロールケーブル

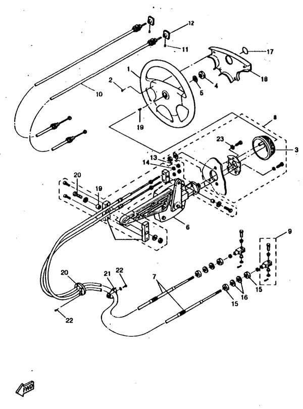
  • ステアリングケーブル

    ステアリングケーブル

  • デツキハツチ1

    デツキハツチ1

  • デツキハツチ2

    デツキハツチ2

  • シートクツシヨン

    シートクツシヨン

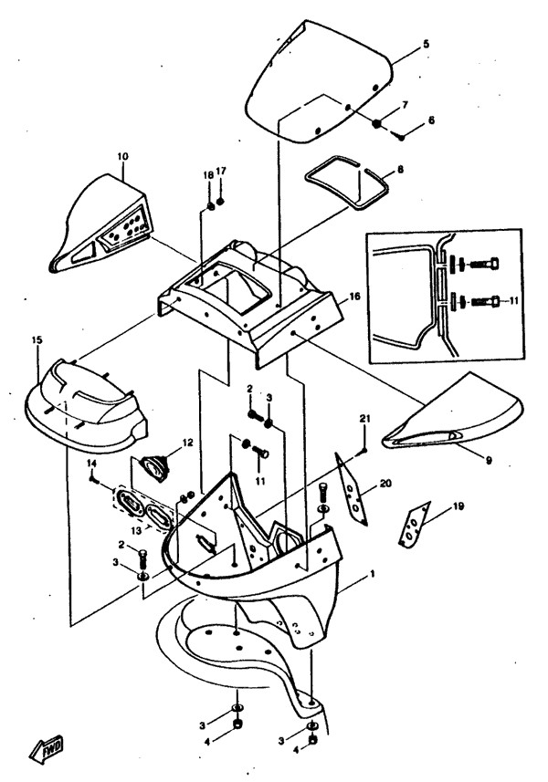
  • ヘルム

    ヘルム

  • ベンチレーシヨンシステム

    ベンチレーシヨンシステム

  • ハルデツキ

    ハルデツキ

  • デッキ

    デッキ

  • グラフイツクス

    グラフイツクス

  • ステレオ

    ステレオ

  • ラベル(ジャパン)

    ラベル(ジャパン)

ページトップへ