マリン用品の通販王
ネオネットマリンWEB本店


HOME

■純正部品

 > 

シードゥー

 > 

SPX

 > 
SPX 1998 5838
  • パーツ&アクセサリー

    パーツ&アクセサリー

  • クランクケース, ロータリーバルブ(787)

    クランクケース, ロータリーバルブ(787)

  • クランクシャフト, ピストン(787)

    クランクシャフト, ピストン(787)

  • シリンダー, エキゾーストマニホールド(787)

    シリンダー, エキゾーストマニホールド(787)

  • マグネット, オイルポンプ(787)

    マグネット, オイルポンプ(787)

  • スターター

    スターター

  • エンジンサポート, マフラー(787)

    エンジンサポート, マフラー(787)

  • エレクトリカルボックス

    エレクトリカルボックス

  • リア エレクトリカルボックス

    リア エレクトリカルボックス

  • エレクトリカルアクセサリー

    エレクトリカルアクセサリー

  • エレクトリカルハーネス

    エレクトリカルハーネス

  • 配線コネクター

    配線コネクター

  • クーリング システム

    クーリング システム

  • オイルインジェクション システム

    オイルインジェクション システム

  • フューエル システム

    フューエル システム

  • エアーインテーク システム

    エアーインテーク システム

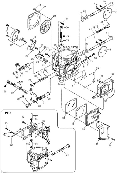
  • キャブレターPTO

    キャブレターPTO

  • キャブレターMAG

    キャブレターMAG

  • ドライブ システム

    ドライブ システム

  • ジェットポンプ

    ジェットポンプ

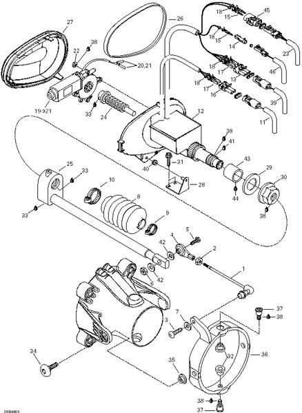
  • エレクトリックトリム

    エレクトリックトリム

  • ステアリング

    ステアリング

  • シート, エンジンカバー

    シート, エンジンカバー

  • フロントストレージコンパートメント

    フロントストレージコンパートメント

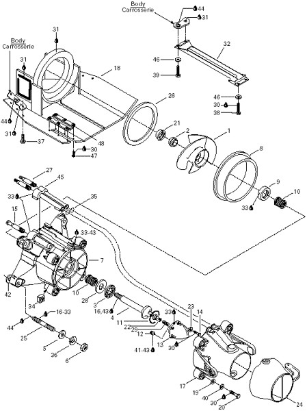
  • ボディ1

    ボディ1

  • ボディ2

    ボディ2

  • デカール

    デカール

ページトップへ