マリン用品の通販王
ネオネットマリンWEB本店


HOME

■純正部品

 > 

カワサキ

 > 

ウルトラLX

 > 
ウルトラ LX 2012 JT1500KCF
  • メンテナンス / 純正OEM

    メンテナンス / 純正OEM

  • パーツ&アクセサリー

    パーツ&アクセサリー

  • シリンダヘッド

    シリンダヘッド

  • シリンダヘッドカバー

    シリンダヘッドカバー

  • シリンダ、ピストン

    シリンダ、ピストン

  • エアクリーナ

    エアクリーナ

  • マフラ

    マフラ

  • バルブ

    バルブ

  • カムシャフト、テンショナ

    カムシャフト、テンショナ

  • クランクシャフト

    クランクシャフト

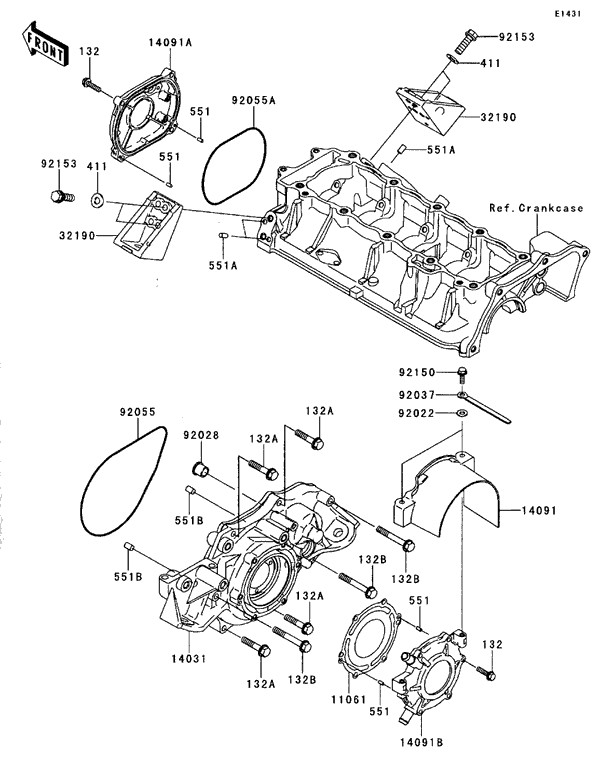
  • クランクケース

    クランクケース

  • エンジンカバー

    エンジンカバー

  • オイルパン

    オイルパン

  • スロットル

    スロットル

  • フューエルポンプ

    フューエルポンプ

  • フユーエルインジエクション

    フユーエルインジエクション

  • オイルイオンプ

    オイルイオンプ

  • ゼネレータ

    ゼネレータ

  • イグニッションシステム

    イグニッションシステム

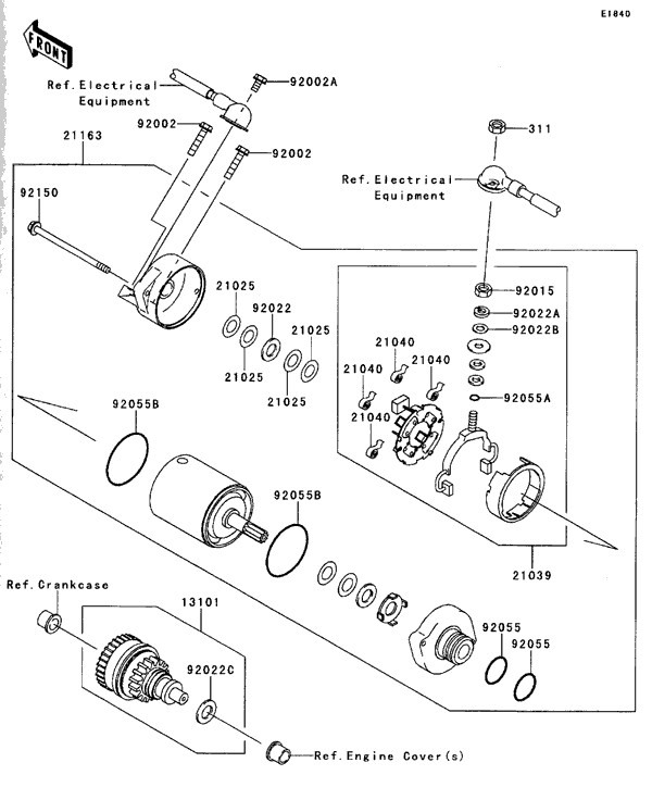
  • スタータモータ

    スタータモータ

  • クーリング

    クーリング

  • ドライブシャフト

    ドライブシャフト

  • ジェットンポンプ

    ジェットンポンプ

  • ハル

    ハル

  • ハル、フロントフィッテイング

    ハル、フロントフィッテイング

  • ハル、ミドルフィッテイング

    ハル、ミドルフィッテイング

  • ハル、リヤフィッテイング

    ハル、リヤフィッテイング

  • エンジンマウント

    エンジンマウント

  • ビルジシステム

    ビルジシステム

  • シート

    シート

  • パッド

    パッド

  • ハンドルポール

    ハンドルポール

  • ハンドルバー

    ハンドルバー

  • フューエルタンク

    フューエルタンク

  • ケーブル

    ケーブル

  • メータ

    メータ

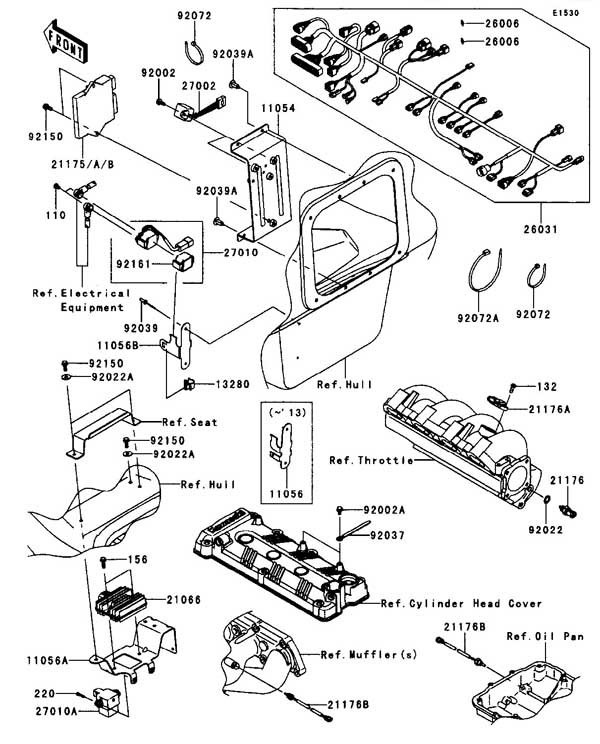
  • 船体電装品

    船体電装品

  • オーナーズツール

    オーナーズツール

  • ラベル

    ラベル

  • デカール

    デカール

ページトップへ