  - メンテナンス / 純正OEM 
  - パーツ&アクセサリー 
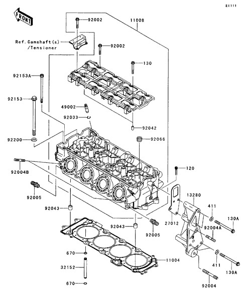
  - シリンダヘッド 
  - シリンダヘッドカバー 
  - シリンダ、ピストン 
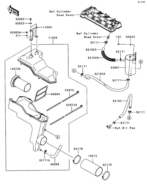
  - エアクリーナ 
  - マフラ 
  - バルブ 
  - カムシャフト、テンショナ 
  - クランクシャフト 
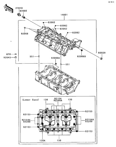
  - クランクケース 
  - エンジンカバー 
  - オイルパン 
  - スーパーチャージャー 
  - インタークーラー 
  - スロットル 
  - フューエルポンプ 
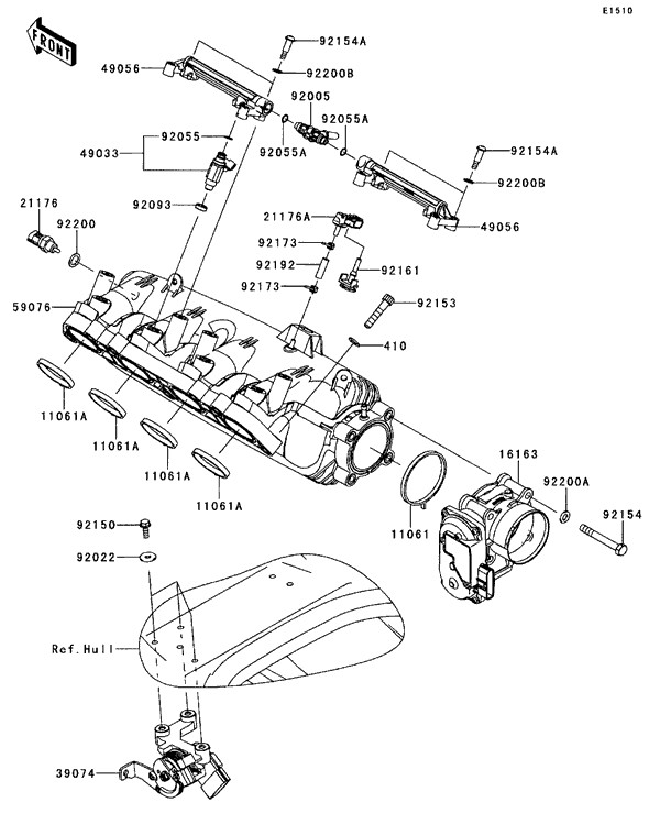
  - フューエルインジェクション 
  - オイルポンプ 
  - ゼネレータ 
  - イグニッションシステム 
  - スターターモータ 
  - クーリング 
  - ドライブシャフト 
  - ジェットポンプ 
  - ハル 
  - ハル、フロントフィッテイング 
  - ハル、ミドルフィッテイング 
  - ハル、リヤフィッテイング 
  - エンジンマウント 
  - ビルジシステム 
  - シート 
  - パッド 
  - ハンドルポール 
  - ハンドルバー 
  - フューエルタンク 
  - ケーブル 
  - コントロール 
  - メータ 
  - 船体電装品 
  - オーナーズツール 
  - ラベル 
  - デカール(CLグリーン) 
