マリン用品の通販王
ネオネットマリンWEB本店


HOME

■純正部品

 > 

カワサキ

 > 

900STS

 > 
900 STS 2002 JT900-B4
  • シリンダヘッド, シリンダ

    シリンダヘッド, シリンダ

  • マフラー

    マフラー

  • クランクシャフト, ピストン

    クランクシャフト, ピストン

  • クランクケース

    クランクケース

  • エンジンカバー

    エンジンカバー

  • キャブレター

    キャブレター

  • キャブレターパーツ

    キャブレターパーツ

  • フレームアレスター

    フレームアレスター

  • オイルポンプ

    オイルポンプ

  • ゼネレーター

    ゼネレーター

  • イグニッションシステム

    イグニッションシステム

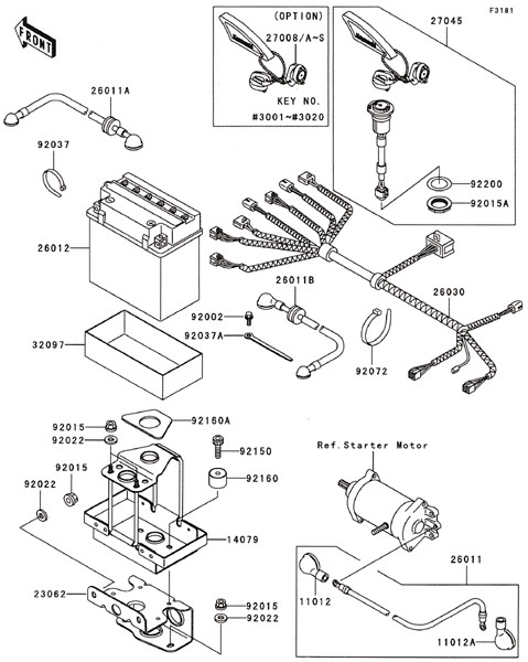
  • スターターモーター

    スターターモーター

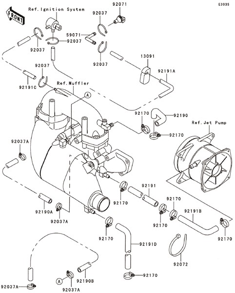
  • クーリング

    クーリング

  • ドライブシャフト

    ドライブシャフト

  • ジェットポンプ

    ジェットポンプ

  • ハル

    ハル

  • ハルフィッティング

    ハルフィッティング

  • エンジンマウント

    エンジンマウント

  • ビルジシステム

    ビルジシステム

  • シート

    シート

  • パッド

    パッド

  • ハンドルポール

    ハンドルポール

  • ハンドルバー

    ハンドルバー

  • フューエルタンク

    フューエルタンク

  • オイルタンク

    オイルタンク

  • ケーブル

    ケーブル

  • メーター

    メーター

  • 船体電装品

    船体電装品

  • オーナーズツール

    オーナーズツール

  • ラベル

    ラベル

  • デカール

    デカール

ページトップへ