マリン用品の通販王
ネオネットマリンWEB本店


HOME

■純正部品

 > 

カワサキ

 > 

750SXI PRO

 > 
750 SXI PRO 2000 JS750-C3
  • シリンダヘッド, シリンダ

    シリンダヘッド, シリンダ

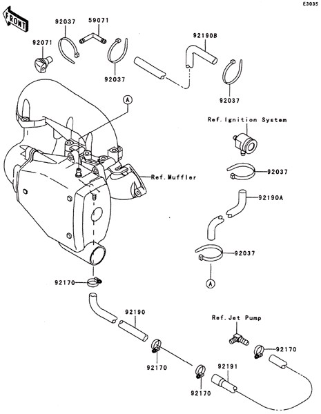
  • マフラ

    マフラ

  • クランクシャフト, ピストン

    クランクシャフト, ピストン

  • クランクケース

    クランクケース

  • エンジンカバー

    エンジンカバー

  • キャブレタ

    キャブレタ

  • キャブレタパーツ

    キャブレタパーツ

  • フレームアレスタ

    フレームアレスタ

  • ゼネレーター

    ゼネレーター

  • イグニッションシステム

    イグニッションシステム

  • スタータモータ

    スタータモータ

  • クーリング

    クーリング

  • ドライブシャフト

    ドライブシャフト

  • ジェットポンプ

    ジェットポンプ

  • ハル JS750-C3

    ハル JS750-C3

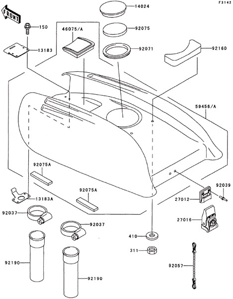
  • エンジンフード

    エンジンフード

  • ハルフィッティング

    ハルフィッティング

  • エンジンマウント

    エンジンマウント

  • ビルジシステム

    ビルジシステム

  • パッド

    パッド

  • ハンドルポール

    ハンドルポール

  • ハンドルバー

    ハンドルバー

  • フューエルタンク

    フューエルタンク

  • ケーブル

    ケーブル

  • 船体電装品

    船体電装品

  • オーナーズツール

    オーナーズツール

  • ラベル

    ラベル

  • デカール JS750-C3

    デカール JS750-C3

ページトップへ