マリン用品の通販王
ネオネットマリンWEB本店


HOME

■純正部品

 > 

カワサキ

 > 

650TS

 > 
650 TS 1995 JF650-B7
  • シリンダヘッド, シリンダ

    シリンダヘッド, シリンダ

  • エアクリーナ

    エアクリーナ

  • マフラ

    マフラ

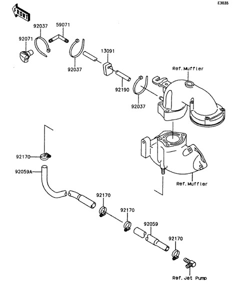
  • ウォータマフラ

    ウォータマフラ

  • クランクシャフト, ピストン

    クランクシャフト, ピストン

  • クランクケース

    クランクケース

  • エンジンカバー

    エンジンカバー

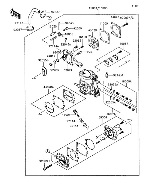
  • キャブレタ

    キャブレタ

  • フレームアレスタ

    フレームアレスタ

  • オイルポンプ

    オイルポンプ

  • ゼネレータ

    ゼネレータ

  • イグニッションシステム(JF650-B7)

    イグニッションシステム(JF650-B7)

  • スタータモータ

    スタータモータ

  • クーリング

    クーリング

  • ドライブシャフト

    ドライブシャフト

  • ジェットポンプ

    ジェットポンプ

  • ハル

    ハル

  • エンジンフード

    エンジンフード

  • ハルフィッティング

    ハルフィッティング

  • エンジンマウント

    エンジンマウント

  • ビルジシステム

    ビルジシステム

  • シート

    シート

  • パッド

    パッド

  • ハンドルポール

    ハンドルポール

  • ハンドルバー

    ハンドルバー

  • フューエルタンク

    フューエルタンク

  • オイルタンク(KAW42718 92~)

    オイルタンク(KAW42718 92~)

  • ケーブル

    ケーブル

  • 船体電装品

    船体電装品

  • オーナーズツール

    オーナーズツール

  • ラベル

    ラベル

ページトップへ