マリン用品の通販王
ネオネットマリンWEB本店


HOME

■純正部品

 > 

カワサキ

 > 

750ST

 > 
750 ST 1994 JT750-A1
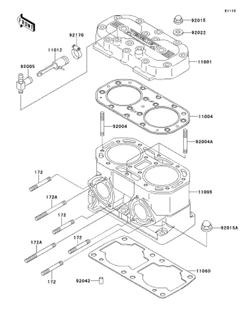
  • シリンダヘッド/シリンダ

    シリンダヘッド/シリンダ

  • マフラ

    マフラ

  • ウォータマフラ

    ウォータマフラ

  • クランクシャフト/ピストン

    クランクシャフト/ピストン

  • クランクケース

    クランクケース

  • エンジンカバー

    エンジンカバー

  • キャブレタ

    キャブレタ

  • フレームアレスタ

    フレームアレスタ

  • オイルポンプ

    オイルポンプ

  • ゼネレータ

    ゼネレータ

  • イグニッションシステム

    イグニッションシステム

  • スタータモータ

    スタータモータ

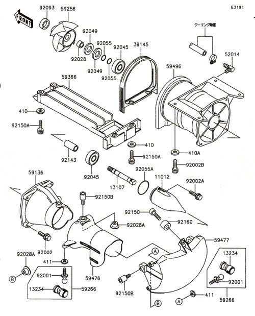
  • クーリング

    クーリング

  • ドライブシャフト

    ドライブシャフト

  • ジェットポンプ

    ジェットポンプ

  • ハル

    ハル

  • ハルフィッティング-1

    ハルフィッティング-1

  • ハルフィッィング-2

    ハルフィッィング-2

  • エンジンマウント

    エンジンマウント

  • ビルジシステム

    ビルジシステム

  • シート

    シート

  • パッド

    パッド

  • ハンドルポール

    ハンドルポール

  • ハンドルバー

    ハンドルバー

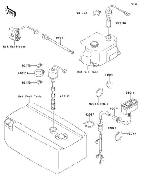
  • フューエルタンク

    フューエルタンク

  • オイルタンク

    オイルタンク

  • ケーブル

    ケーブル

  • メータ

    メータ

  • 船体電装品

    船体電装品

  • オーナーズツール

    オーナーズツール

  • ラベル

    ラベル

  • デカール

    デカール

ページトップへ