マリン用品の通販王
ネオネットマリンWEB本店


HOME

■純正部品

 > 

ヤマハ

 > 

VX 110SP/DX

 > 
VX 110DX 2005 F1K6
  • メンテナンス / 純正OEM

    メンテナンス / 純正OEM

  • パーツ&アクセサリー

    パーツ&アクセサリー

  • シリンダー

    シリンダー

  • クランクケース

    クランクケース

  • クランクシャフト, ピストン

    クランクシャフト, ピストン

  • バルブ

    バルブ

  • インテーク

    インテーク

  • インテーク2

    インテーク2

  • オイルポンプ

    オイルポンプ

  • オイルクーラー

    オイルクーラー

  • エキゾースト1

    エキゾースト1

  • エキゾースト2

    エキゾースト2

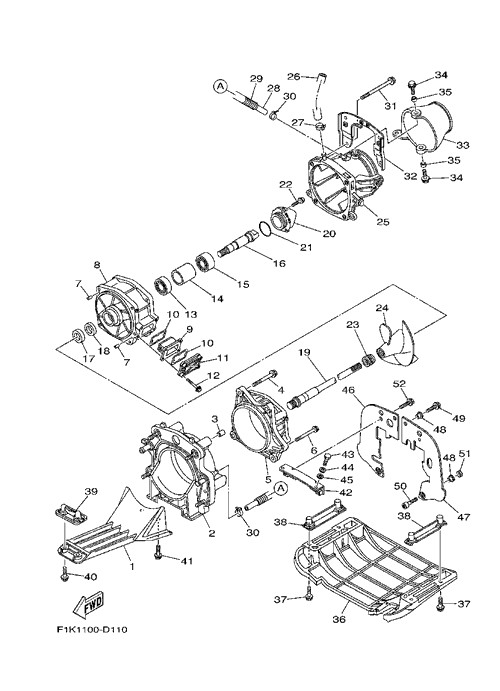
  • ジェットユニット

    ジェットユニット

  • ジェットユニット2

    ジェットユニット2

  • ジェットユニット3

    ジェットユニット3

  • ゼネレータ

    ゼネレータ

  • スターティングモータ

    スターティングモータ

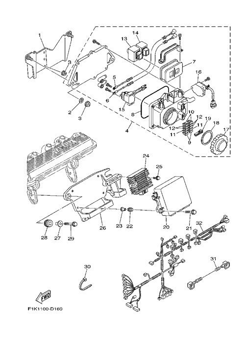
  • エレクトリカル1

    エレクトリカル1

  • エレクトリカル2

    エレクトリカル2

  • エレクトリカル3

    エレクトリカル3

  • エンジンハッチ1

    エンジンハッチ1

  • エンジンハッチ2

    エンジンハッチ2

  • ハル, デッキ

    ハル, デッキ

  • ガンネル, マット

    ガンネル, マット

  • ベンチレーション

    ベンチレーション

  • シート, アンダーロッカー

    シート, アンダーロッカー

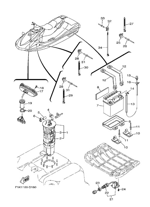
  • フューエルタンク

    フューエルタンク

  • エキゾースト3

    エキゾースト3

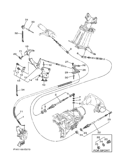
  • コントロールケーブル

    コントロールケーブル

  • ステアリング1

    ステアリング1

  • ステアリング2

    ステアリング2

  • グラフィック

    グラフィック

  • ラベル

    ラベル

  • リペアキット1

    リペアキット1

ページトップへ