マリン用品の通販王
ネオネットマリンWEB本店


HOME

■純正部品

 > 

ヤマハ

 > 

SP 700

 > 
700 SP 1997 GH1E
  • シリンダー, クランクケース

    シリンダー, クランクケース

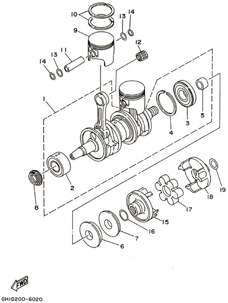
  • クランクシャフト, ピストン

    クランクシャフト, ピストン

  • インテーク

    インテーク

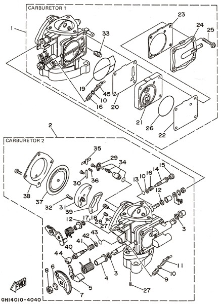
  • キャブレター

    キャブレター

  • オイルポンプ

    オイルポンプ

  • エキゾースト1

    エキゾースト1

  • フューエル

    フューエル

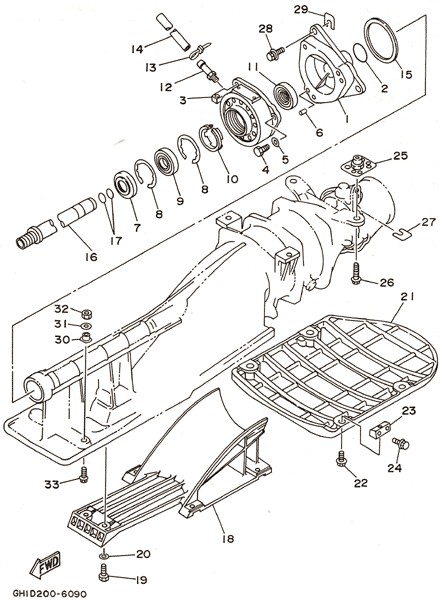
  • ジェットユニット1

    ジェットユニット1

  • ジェットユニット2

    ジェットユニット2

  • ジェネレーター

    ジェネレーター

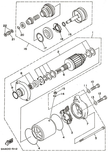
  • スターティングモーター

    スターティングモーター

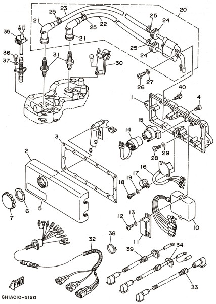
  • エレクトリカル1

    エレクトリカル1

  • エレクトリカル2

    エレクトリカル2

  • エンジンハッチ

    エンジンハッチ

  • ハル, デッキ

    ハル, デッキ

  • ガンネル, マット

    ガンネル, マット

  • シート, アンダーロッカー1

    シート, アンダーロッカー1

  • シ-トアンダ-ロッカ- 2

    シ-トアンダ-ロッカ- 2

  • オイルタンク

    オイルタンク

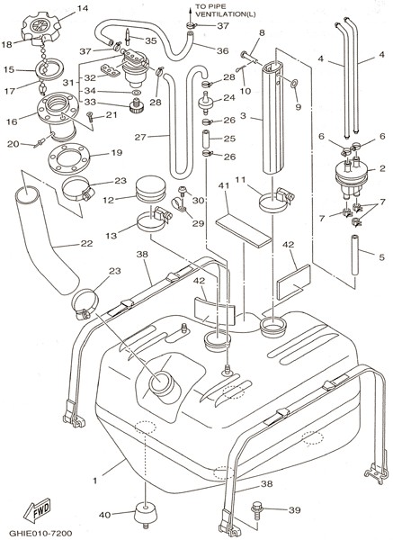
  • フューエルタンク

    フューエルタンク

  • エキゾースト2

    エキゾースト2

  • コントロールケーブル

    コントロールケーブル

  • ステアリング1

    ステアリング1

  • ステアリング2

    ステアリング2

  • グラフィック

    グラフィック

  • ラベル

    ラベル

  • リペアキット1

    リペアキット1

  • リペアキット2

    リペアキット2

ページトップへ